Wire userguide
Wire userguide

Subpage of V3 general


+12V Supply

  • EC36-pin25 3A Fused +12v supply

Note that if you have moved the battery to the rear of the car you may want to run separate wires for the starter/alternator and for the cars electrical system to the battery. Otherwise the several meters long cable will cause a significant voltage drop during cranking that will cause the ECU to reset when the battery starts to run low. This may prevent the car from starting even if the engine cranks over.

Once you have connected and checked the continuity of ground you can connect your VEMS unit to the EC36 plug and apply the power supply. There is little point in connecting power until the serial connector or LCD screen has been connected.

ConnectingPower2.png

Connecting serial port

To allow the connection of the VEMS unit to your PC a serial port plug must be connected as follows.

  • EC18-pin14 to DSUB9-pin3
  • EC18-pin15 to DSUB9-pin2
  • EC36-pin26 to DSUB9-pin5 (GND).

ConnectingSerialPort.png


Connecting the primary trigger (CAS)

Magenetic sensor / Variable reluctance (VR)

Mechanical considerations (need to be written somewhere and referenced from here)

The VR sensing circuitry is very sensitive to electrical noise, shielded cable (coax) must be used and good grounding is vital.

  • EC36-pin27 VR+ Note that some other ECUs trigger on positive-going edge so their schematic might mark the + and GND swapped: so don't blindly follow naming from autodata pinout or some schematic, keep in mind that + and - might need to be swapped.
  • EC36-pin26 VR- ConnectingPrimaryVRTrigger.png

Hall Sensor

VEMS is available configured for Hall sensors, these are more noise tollerant and require a +5V supply.

  • EC36-pin27 Hall signal
  • EC36-pin26 Ground
  • EC36-pin28 +5V

ConnectingPrimaryHallTrigger.png

Connecting the secondary sensor (optional)

Magenetic sensor / Variable reluctance (VR)

With the same considerations with the primary trigger regarding electrical noise.

  • EC36-pin13 VR+ (central wire in coax)
  • EC36-pin26 VR- (shield and ground)

ConnectingSecondaryVRTrigger.png

Hall Sensor

  • EC36-pin13 Hall Signal
  • EC36-pin26 Ground
  • EC36-pin28 +5V

ConnectingSecondaryHallTrigger.png

Connecting the inlet air temp. sensor (IAT)

  • EC36-pin2 Signal
  • EC36-pin26 Ground

ConnectingIAT.png

Connecting the coolant temp. sensor (CLT)

  • EC36-pin14 Signal
  • EC36-pin26 Ground

ConnectingCLT.png

Connecting the throttle position sensor (TPS)

The throttle position sensor is used by VEMS to provide fuel requirements in Alpha-N configuration and acceleration enrichment.

  • EC36-pin29 TPS (+5v) out
  • EC36-pin1 Wiper out (0-5v)
  • EC36-pin26 Ground

ConnectingTPS.png

 

Connecting WBO2 Sensor

  • EC18-pin13 to WB6-pin1 (Nerst Cell Signal)
  • EC18-pin7 to WB6-pin5 (WBO2 Pump-)
  • EC18-pin18 to WB6-pin4 (WBO2 Heater)
  • EC18-pin9 to WB6-pin6 (WBO2 Pump+)

ConnectingWBO2Sensor.png

Single coil

In some instances you will want to keep the distributor, in this case VEMS can be configured to use the original coil as shown.

ConnectingSingleCoil.png

Coil pack

Connecting a two coil (4 cylinder wasted spark)

ConnectingCoilpack.png

Additional coil packs, for applications such as 8 cylinder wasted spark

ConnectingTwoCoilPacks.png

Coil on plug (COP)

Individual Coil connections are shown, the pins connect to the negative '-' side of the coil.

ConnectingCoilOnPlug.png

Using the Stepper Motor Driver to control Ignition

ConnectingExternalTransistorPackUsingStepper.png

 

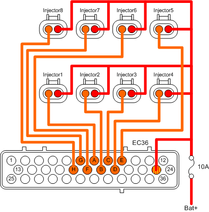
To 8 injectors are wired as shown here.

ConnectingInjectors8.png

Connecting the fuel pump

The fuel pump is controlled via a mechanical relay.

  • EC36-pin15 to relay coil

ConnectingFuelPump.png

ConnectingExternalDIAC.png

  • EC36-pin6 to IAC close pin
  • EC36-pin17 to IAC open pin

Stepper Motor IAC

ConnectingStepperIAC.png

The coils are preferrably connected between A-B and C-D stepper outputs:

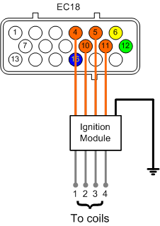
  • EC18-pin4 Stepper-A
  • EC18-pin10 Stepper-B
  • EC18-pin5 Stepper-C
  • EC18-pin11 Stepper-D

Connecting A Boost Control Solenoid

This assumes the use of the Webshop 3-port pneumatic solenoid

Connecting the pneumatic ports

Integral wastegate actuators

Connection option one

BoostValveInternal.png

Connection option two

BoostValveAlternative.png

Using Low Current Drivers for a Shift Light

Connect a 12v indicator lamp to a switched supply and taking your choice from the table above, connect the lamp's second pin to the VEMS.

ConnectingShiftLight.png